光軸支座
- 產品介紹
- 技術參數
- 產品圖片
R105701600 力士樂軸支座的作用是在帶閉式直線導套組件的導向系統中,兩端固定導向軸。由于很高的尺寸精度的原因,使這些元件之間能夠互換,軸支座能夠方便的安裝和快速的校準。如果對精密性有高要求,則適用于采用帶定位棱邊的軸支座。

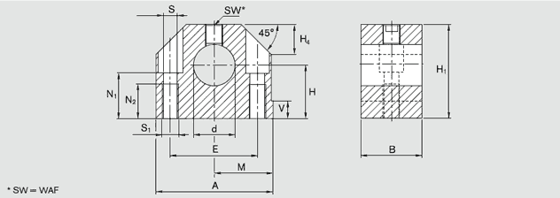
| ød | 16 | |
| dH8 | 16 | |
| H±0.01 | 25 | |
| H1 | 42 | |
| M±0.01 | 26.5 | |
| A | 53 | |
| B | 24 | |
| E±0.15 | 38 | |
| S | 6.6 | |
| S1 | M8 | |
| N1 | 21 | |
| N2 | 18 | |
| V | 5 | |
| H4 | 13 | |
| SW | 3 | |
| 擰緊力矩(Nm) | 6.6 | |
| 重量:(KG) | 0.11 |
1)以軸公稱尺寸“d”為基準
2)固定螺栓,ISO 4762-8.8








