型材及連接件
3842992888 力士樂支撐型材
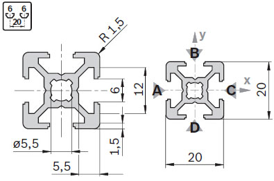
鎖坑寬度:6mm
型材型號:20*20
部件號:3842992888
產品系列:基本機械組件MGE
021-57893800工作時間:周一至周五 9:00-18:00
- 產品介紹
- 技術參數
- 產品圖片
基本機械組件為您的生產提供堅實基礎,不管您像制造機械框架、防護圍欄、專機設備、工作站還是整條產品生產線,我們的工業鋁型材系統可以給您**的解決方案。100種以上不同截面積的鋁型材和規格齊全的配件,讓您在建造過程中可以有絕對的自由度,而高強度的10mm槽則提供了*高的安全性,同時整個裝配過程快速而簡單。

| 慣性矩 | lx=0.7cm4 ly=0.7cm4 |
| 截面模量 | Wx=0.7cm³ Wy=0.7cm³ |
| A | 1.6cm² |
| 重量 | 0.4kg/m |
| 端面加工 | 無 |
| 長度 | 50mm≤l≤3000mm |








