導軌滑塊配件
R161924273 力士樂氣動夾持元件LCP
品牌:博世力士樂
名稱:氣動夾持元件LCP
部件號:R161924273
規格:25
021-57893800工作時間:周一至周五 9:00-18:00
- 產品介紹
- 技術參數
- 產品圖片
力士樂氣動夾持元件R161924273適用于所有滾珠導軌SNS。
LCP的特點:
- 通過機械夾緊裝置,利用氣壓實現夾持
- 壓力在5.5-8bar的范圍內無級可調
- 快速釋放

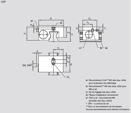
| A | 61.4 | |
| B | 41 | |
| E1 | 23.9 | |
| E2 | 9.5 | |
| E3 | 9.75 | |
| F1 | 6.5 | |
| F2 |
36.0 |
|
| F3 | 6.5 | |
| F4 | 24.5 | |
| H | 36.0 | |
| H11) | 32.5 | |
| H3 | 24.55 | |
| N3 | 7.7 | |
| S2 | M5 | |
| X | 6.5 | |
| 夾持力氣壓1)N | 850 | |
| 耗氣量標準進氣口(dm3/行程) | 0.015 | |
| 重量 kg | 0.27 | |
1)高滾珠滑塊.H.(...高...)需要配墊板
2)在6bar氣壓下的夾持力,試驗是在安裝完畢條件下進行的,具有一層潤滑油膜(ISO-VG68)。








