滾珠導軌
- 產品介紹
- 技術參數
- 產品圖片
力士樂鋼制寬滾珠導軌R167550431,帶塑料孔蓋,帶兩排安裝孔,從上面用螺栓安裝。新的20/40規格滾珠導軌導向系統所配滾珠直徑與以前的不同,因此,不能與原20/40規格產品互換。

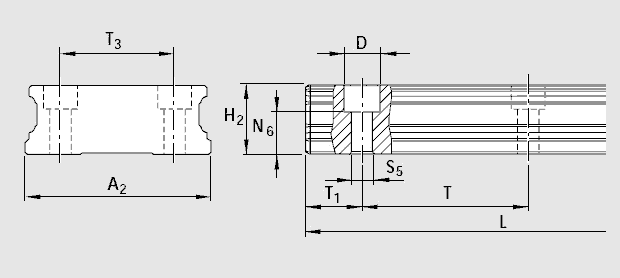
| A2 | 42 | |
| D | 7.4 | |
| H21) | 18.30 | |
| Lmax | 3 836 | |
| N6±0.5 |
12.45 |
|
| S5 | 4.4 | |
| T | 60 | |
| T1 min |
10 |
|
| T1s2) | 28 | |
| T1 max | 50 | |
| T3 | 24 | |
| 重量 | 5.3 |
1)尺寸H2帶防護帶
2)推薦:首選尺寸T1s,公差 ±0.75。








